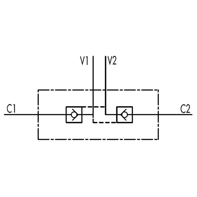
Pilot Operated Checkvalve, Double, 1/4″
V0010
In stock
V0010
FPS1/2
FPS1/4
FPDF3/8 5 G
FPD1/4-VM150
V0020
V0130
FPD3/8-20L-SP 7H
FPD1/4
V0220
A05035102.00
V0030
FPS3/4
FPD1/4-1R
A05020301.00
A05030101.00
DOVBHDE38013
FP-14A-0002