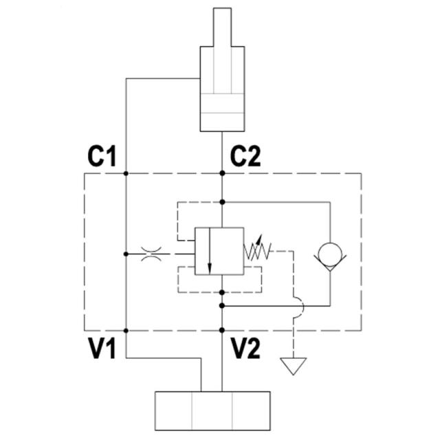
Press. comp. flow restricting valve 3/8″ 3 l/min
VSC3/8-3L
VSC3/8-3L
FP-11N-0001
VSC3/8-1L
VSC3/8-4L
A07030611.00
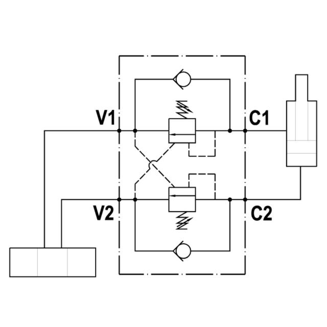
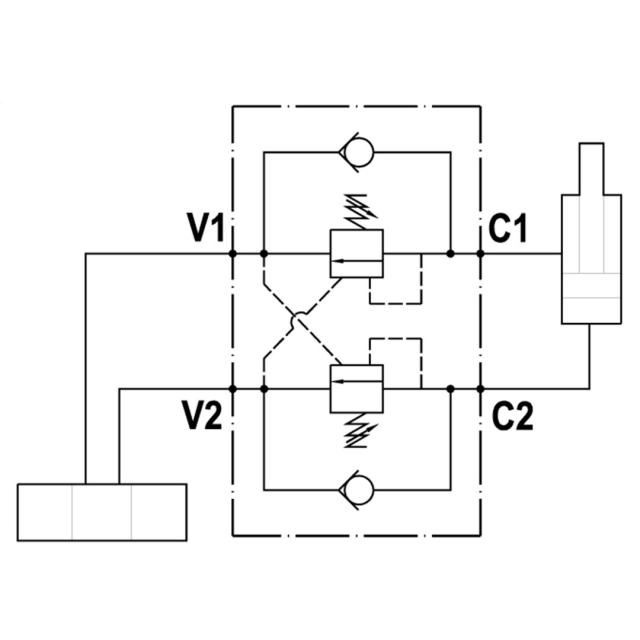
FPO50DX3/8L20
A07030011.00
A07041101.00
FPO50DX3/8L20B
A06030020.00
VSC3/8-2L
VSC3/8-8L
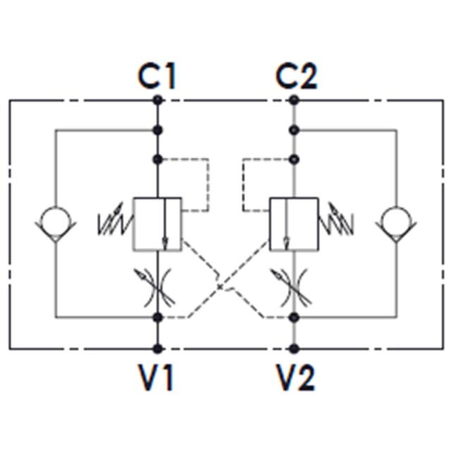
FPO150DD3/4L20B
FPOB25C35A
21000020.000
A07031100.00
A07038102.00
FPOFB25C35B
A07030012.00
A07030613.00
A07038603.00
A07060611.00
FPOB60C35B
A06066603.00
A07038602.00
A07040011.00
A07046152.00
B06036101.00
FPO50D3/8LU35C
VSC1/2-32L-MF