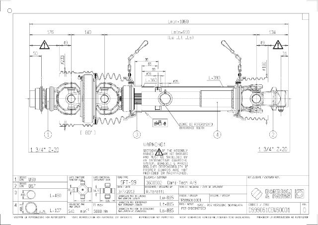
S9 80° Vidvinkel PTO Aksel 610mm - 1 3/4 Z20 Gaffel med kuglelås x 1 3/4 Z20 Gaffel med kilebolt

DS9S061CEWS0001
Vejl. udsalgspris
15.495,25 DKK 19.369,06 DKK Inkl. Moms

9 Produkter på lager

Specifikationer

Danitech Beskrivelse PTO Aksel SFT S9, 80°
Serie SFT
PTO-aksel størrelse S9
PTO-akseltype traktorside 80° Vidvinkel
Koblingstype Traktorside Gaffel
Traktorside tilslutning 1 3/4 Z20
Lås Traktorside med kuglelås
Krydsdimension Traktorside 30,2 x 122,0 mm
PTO akseltype maskinside Standard
Koblingstype Maskinside Gaffel
Maskinside tilslutning 1 3/4 Z20
Lås Maskinside med kilebolt
Krydsdimension Maskinside 34,9 x 106,0 mm
Profilrør Splined profilrør
Indgangsmoment ved 540 o/m 1431 Nm
Indgangsmoment ved 1000 o/m 1166 Nm
Smøreinterval 50 timer
Længde 610 mm
Varereference nr BB9090, DS9061CEWS0001
EAN 5711910271453
Indgangseffekt ved 1000 o/m 166 HK
Indgangseffekt ved 540 o/m 110 HK
Ved at klikke 'Acceptér Alle' så giver til tiladelse til at vi må indsamle information om dig til forskellige formål, hvilket inkluderer: Funktionalitet, Statistik og Marketing