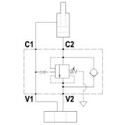
OCV SAE8 Cavity 100-350bar

FPOFB25C35B
Vejl. udsalgspris
539,60 DKK 674,50 DKK Inkl. Moms

8 Produkter på lager

Specifikationer

Danitech Beskrivelse OCV SAE8 Cavity 100-350bar
Vægt 0.168 kg
Max arbejdstryk 350 bar
EAN 5711910406336
Justeringsområde 100-350 bar
Patron kvalitet 3/4"-16 UNF-2B
Flowområde 5-25 l/min
Bemærk Lukket center Control
Pilot forhold 8:1
Tryk Max 350 bar
Trykområde 60-220 bar
Funktion Cartridge Overcenterventil
Olieviskositet 16-90 mm²/s
Temperaturområde -20°C - +60°C C°
Vægt 0,168 kg
Ved at klikke 'Acceptér Alle' så giver til tiladelse til at vi må indsamle information om dig til forskellige formål, hvilket inkluderer: Funktionalitet, Statistik og Marketing