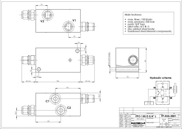
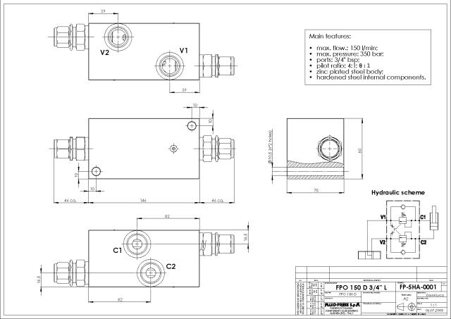
OCV dobb 3/4″ 8:1

FPO150DD3/4L20B
Vejl. udsalgspris
1.779,30 DKK 2.224,13 DKK Inkl. Moms

16 Produkter på lager

Specifikationer

Danitech Beskrivelse OCV dobb 3/4" 8:1
Vægt 6.4 kg
Max arbejdstryk 350 bar
EAN 5711910142470
Justeringsområde 100-350 bar
(Ikke i brug) Tilslutning cylinder 3/4" BSP "
Flowområde max 150 l/min l/min
Pilot forhold 4:1;8:1
Tryk Max 350 bar
Funktion Overcenterventil dobbel
Justeret til 280 bar
Vægt 6,4 kg kg
Ved at klikke 'Acceptér Alle' så giver til tiladelse til at vi må indsamle information om dig til forskellige formål, hvilket inkluderer: Funktionalitet, Statistik og Marketing