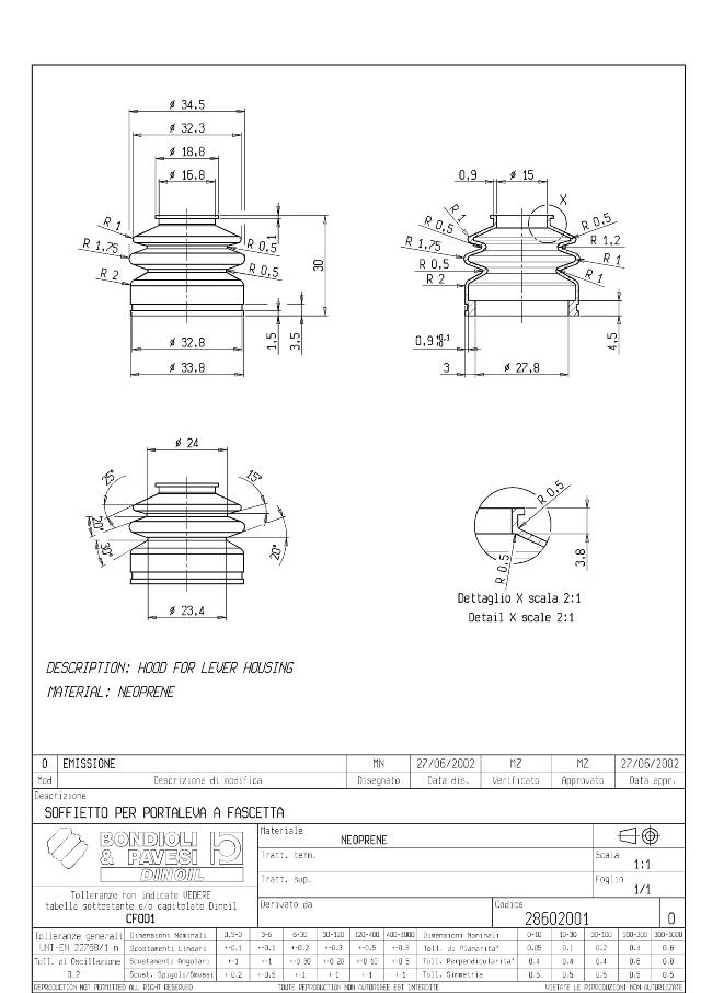
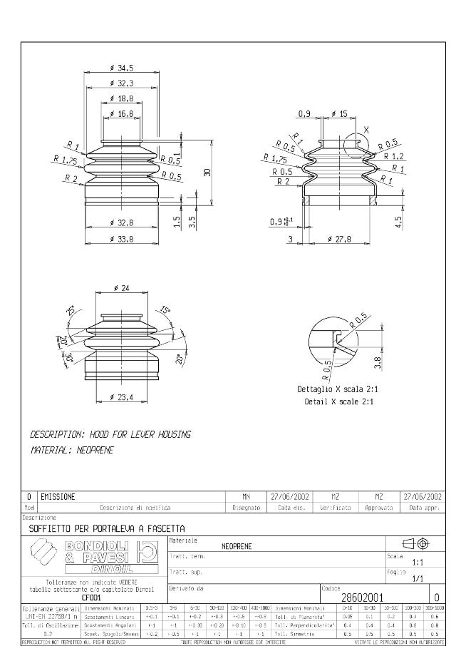
Gummihætte f/styrekappe MD/ML/DN

DO28602001R
Vejl. udsalgspris
34,00 DKK 42,50 DKK Inkl. Moms

18 Produkter på lager

Specifikationer

Danitech Beskrivelse Gummihætte f/styrekappe MD/ML/DN
EAN 5711910123011
Produktgruppe Manuelle retningsventiler
Funktion Gummihætte for styrekappe MD
Ved at klikke 'Acceptér Alle' så giver til tiladelse til at vi må indsamle information om dig til forskellige formål, hvilket inkluderer: Funktionalitet, Statistik og Marketing