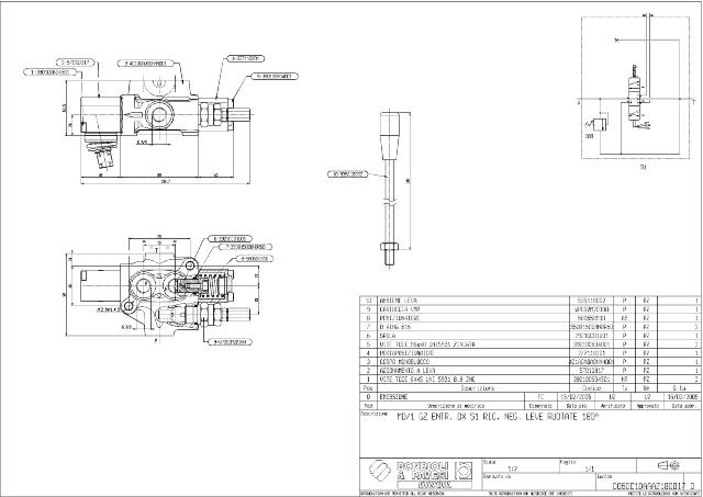
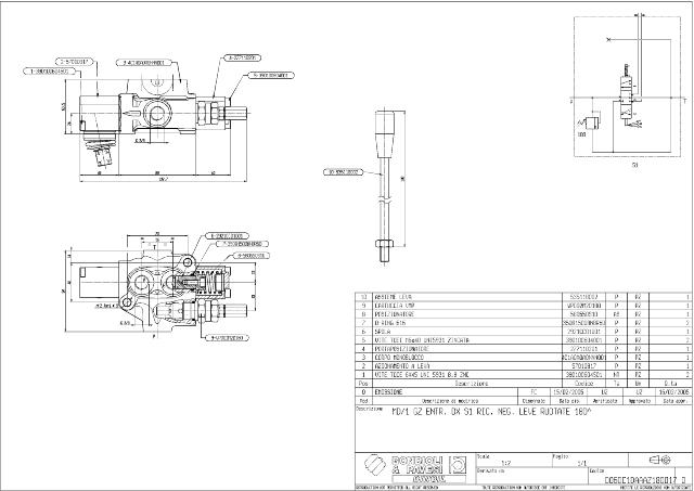
MD-GZ-S1 Ventil

DO6DC1DAAAZ180017
Vejl. udsalgspris
1.024,00 DKK 1.280,00 DKK Inkl. Moms

45 Produkter på lager

Specifikationer

Danitech Beskrivelse MD-GZ-S1 Ventil
C 46 mm
EAN 5711910125213
(Ikke i brug) Tilslutning cylinder 3/8" BSP "
Filtrering 25µm µm
Flow Max 45 l/min
Trykområde 0-250 bar
Produktgruppe Manuelle retningsventiler
Type MD1
Funktion Manuel ventil MD
Olieviskositet 10-300 mm²/s
Glider positions kontrol 1
Antal funktioner 1
Temperaturområde -25° - +80°C C°
Ved at klikke 'Acceptér Alle' så giver til tiladelse til at vi må indsamle information om dig til forskellige formål, hvilket inkluderer: Funktionalitet, Statistik og Marketing