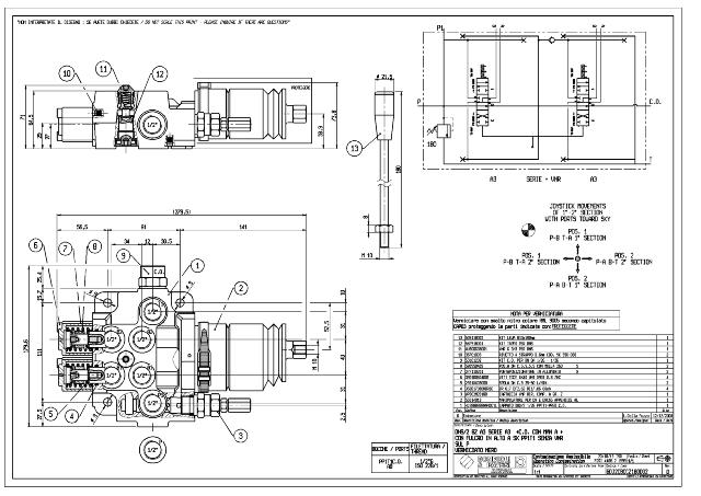
DNS/2-1/2Z-A3 A3+co MAN +serie

DO6DJ2CBCCZ180002
Vejl. udsalgspris
1.286,10 DKK 1.607,63 DKK Inkl. Moms

1 Produkter på lager

Specifikationer

Danitech Beskrivelse DNS/2-1/2Z-A3 A3+co MAN +serie
C 111 mm
EAN 5711910125954
(Ikke i brug) Tilslutning cylinder 1/2" "
Filtrering 25 µm
Flow Max 50 l/min
Trykområde 0-300 bar
Type DNS2
Olieviskositet 10-100 mm²/s
Glider positions kontrol 0
Antal funktioner 1
Temperaturområde -20° - +80° C°
Ved at klikke 'Acceptér Alle' så giver til tiladelse til at vi må indsamle information om dig til forskellige formål, hvilket inkluderer: Funktionalitet, Statistik og Marketing