3-vejs trykkomp prop. flowreg

PV70-30A-0-N-0
Vejl. udsalgspris
1.404,05 DKK 1.755,06 DKK Inkl. Moms

385 Produkter på lager

Specifikationer

Danitech Beskrivelse 3-vejs trykkomp prop. flowreg
Vægt 0.51 kg
Max arbejdstryk 207 bar
EAN 5711910371368
Flow max 1 26 l/min
Flow max 2 50 l/min
Tryk Max 207 bar
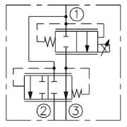
Symbol 40
Tilspændingsmoment Cartridge 36,7Nm Nm
Tilspændingsmoment møtrik for spole 14Nm Nm
Blokke bestilles separat VC10-3
Funktion Flowregulering Proportional 3-vejs trykkomp.
Olieviskositet 7,5-420 mm²/s
Temperaturområde -40°-120° C°
Vægt 0,51 kg
Ved at klikke 'Acceptér Alle' så giver til tiladelse til at vi må indsamle information om dig til forskellige formål, hvilket inkluderer: Funktionalitet, Statistik og Marketing