10 Trykkompensator EC10-40

EC10-40-0-N-80
Vejl. udsalgspris
448,10 DKK 560,13 DKK Inkl. Moms

13 Produkter på lager

Specifikationer

Danitech Beskrivelse 10 Trykkompensator EC10-40
Vægt 0.16 kg
Max arbejdstryk 207 bar
EAN 5711910129884
Flow max 1 38 l/min
Flow max 2 57 l/min
Tryk Max 207 bar
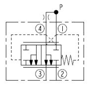
Symbol 34
Tilspændingsmoment Cartridge 33,9Nm Nm
Blokke bestilles separat VC10-4
Kompensator fjeder 5,5
Funktion Flowregulering Trykkomp.
Olieviskositet 7,5-420 mm²/s
Temperaturområde -40° - 120° C°
Vægt 0,16 kg
Ved at klikke 'Acceptér Alle' så giver til tiladelse til at vi må indsamle information om dig til forskellige formål, hvilket inkluderer: Funktionalitet, Statistik og Marketing