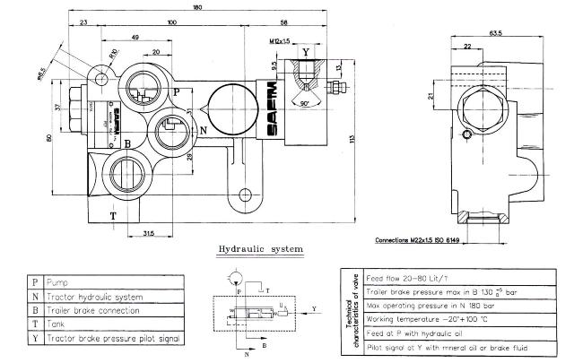
Bremseventil kpl.f/Bremsev.ø18

202091
Vejl. udsalgspris
3.774,75 DKK 4.718,44 DKK Inkl. Moms

17 Produkter på lager

Specifikationer

Danitech Beskrivelse Bremseventil kpl.f/Bremsev.ø18
Max arbejdstryk 180 bar
Varereference nr 200100
EAN 5711910032757
(Ikke i brug) Tilslutning cylinder M22x1,5 (Pilot M12x1,5) "
Flow Max 80 l/min
Bemærk For Bremsevæske
Pilot forhold 1:8,9
Tryk Max 180 (125 på vogn) bar
Funktion Ventil for Hydrauliske bremser
Temperaturområde -20C°-100C° C°
Ved at klikke 'Acceptér Alle' så giver til tiladelse til at vi må indsamle information om dig til forskellige formål, hvilket inkluderer: Funktionalitet, Statistik og Marketing